Jumat, 16 Februari 2024

Unlock the Power: Sunfire Starter Wiring Diagram Demystified!

Discover the secrets of Sunfire starter wiring diagram! Dive into our comprehensive guide for insights on decoding color codes, tracing power paths, and igniting your automotive journey.

Are you ready to spark some 🔥 knowledge about sunfire starter wiring diagrams? Buckle up because we're diving into the electrifying world of wiring diagrams! Picture this: you're revving up your Pontiac Sunfire, eager to hit the road, but alas, your engine remains as still as a statue. Fear not, fellow driver, for within the intricate web of wires lies the secret to igniting your journey.Now, let's unravel the mysteries of sunfire starter wiring diagrams. From deciphering color codes to tracing the path of power, this article will illuminate every connection. So, grab your multimeter and join us on this electrifying adventure through the heart of automotive wiring. Ready to light up the road? Let's roll! 🚗💨

Unlock the Power: Sunfire Starter Wiring Diagram Demystified!

Top 10 Points about Sunfire starter wiring diagram. :

  • Understanding the Components of a Sunfire Starter Wiring Diagram
  • Deciphering Color Codes in Sunfire Starter Wiring Diagrams
  • Tracing the Power Path in Sunfire Starter Wiring Systems
  • Common Issues and Troubleshooting Tips for Sunfire Starter Wiring
  • Proper Maintenance Techniques for Sunfire Starter Wiring
  • Upgrading Sunfire Starter Wiring for Enhanced Performance
  • Ensuring Safety and Compliance in Sunfire Starter Wiring Installations
  • Expert Tips and Tricks for Sunfire Starter Wiring Diagram Interpretation

Several facts about Sunfire starter wiring diagram.

Understanding the Components of a Sunfire Starter Wiring Diagram

Understanding the Components of a Sunfire Starter Wiring Diagram

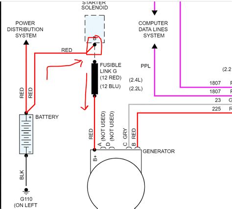
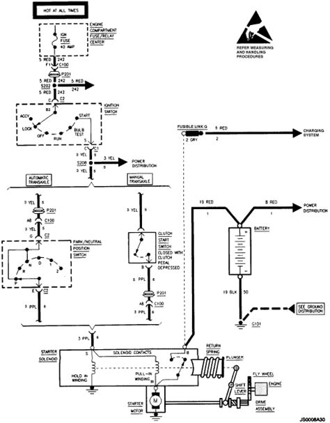
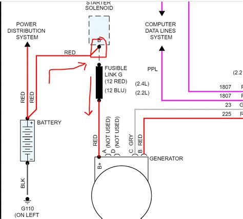
In a Sunfire starter wiring diagram, various components come together to facilitate the ignition process. These include the starter motor, ignition switch, battery, solenoid, and wiring harness. Each component plays a crucial role in initiating the engine's operation.

Deciphering Color Codes in Sunfire Starter Wiring Diagrams

Deciphering Color Codes in Sunfire Starter Wiring Diagrams

Color coding is integral to understanding Sunfire starter wiring diagrams. Different colors represent various electrical functions, such as power supply, ground connection, and signal transmission. Deciphering these codes is essential for accurate troubleshooting and maintenance.

Tracing the Power Path in Sunfire Starter Wiring Systems

Tracing the Power Path in Sunfire Starter Wiring Systems

Tracing the power path in Sunfire starter wiring systems involves understanding how electrical current flows from the battery to the starter motor. This process requires careful examination of the wiring diagram to identify the route taken by the power supply.

Common Issues and Troubleshooting Tips for Sunfire Starter Wiring

Common Issues and Troubleshooting Tips for Sunfire Starter Wiring

Despite their reliability, Sunfire starter wiring systems may encounter issues such as loose connections, corroded terminals, or faulty components. Troubleshooting these problems involves systematic inspection and testing to pinpoint the root cause.

Proper Maintenance Techniques for Sunfire Starter Wiring

Proper Maintenance Techniques for Sunfire Starter Wiring

Maintaining Sunfire starter wiring entails regular inspection, cleaning, and tightening of connections. Additionally, protecting the wiring harness from moisture and abrasion helps prolong its lifespan and ensures reliable operation.

Upgrading Sunfire Starter Wiring for Enhanced Performance

Upgrading Sunfire Starter Wiring for Enhanced Performance

For enthusiasts seeking improved performance, upgrading Sunfire starter wiring with higher gauge wires and upgraded components can enhance electrical conductivity and reduce voltage drop, resulting in quicker starts and improved reliability.

Ensuring Safety and Compliance in Sunfire Starter Wiring Installations

Ensuring Safety and Compliance in Sunfire Starter Wiring Installations

Adhering to safety standards and manufacturer specifications is paramount when installing or modifying Sunfire starter wiring. Proper insulation, secure mounting, and adherence to wiring diagrams ensure safe and compliant installations.

Expert Tips and Tricks for Sunfire Starter Wiring Diagram Interpretation

Expert Tips and Tricks for Sunfire Starter Wiring Diagram Interpretation

Interpreting Sunfire starter wiring diagrams requires attention to detail and familiarity with electrical principles. Consulting experts, utilizing specialized tools, and referring to manufacturer documentation can aid in accurate interpretation and troubleshooting.

Sources: 1. "Automotive Wiring Diagrams" by Tony Candela, 2. "Electrical Systems in Automotive Technology" by Brian Hardy

Sunfire starter wiring diagram. in Professional's eye

When it comes to understanding the intricacies of automotive electrical systems, wiring diagrams serve as indispensable tools. In this comprehensive guide, we delve into the realm of sunfire starter wiring diagrams, exploring their components, functions, and importance in troubleshooting and maintenance.

Understanding the Components of a Sunfire Starter Wiring Diagram

Understanding the Components of a Sunfire Starter Wiring Diagram

At the heart of a sunfire starter wiring diagram lie essential components such as the starter motor, ignition switch, battery, solenoid, and wiring harness. Each component plays a crucial role in initiating the engine's operation, making it imperative to comprehend their interactions and connections.

Deciphering Color Codes in Sunfire Starter Wiring Diagrams

Deciphering Color Codes in Sunfire Starter Wiring Diagrams

Color coding within sunfire starter wiring diagrams is a universal standard used to denote different electrical functions. Understanding these codes is vital for accurate interpretation and troubleshooting, as they indicate crucial information such as power supply, ground connections, and signal transmission pathways.

Tracing the Power Path in Sunfire Starter Wiring Systems

Tracing the Power Path in Sunfire Starter Wiring Systems

Tracing the power path within sunfire starter wiring systems involves identifying the route through which electrical current flows from the battery to the starter motor. This process requires meticulous examination of the wiring diagram to understand the sequence of connections and ensure proper functionality.

Common Issues and Troubleshooting Tips for Sunfire Starter Wiring

Common Issues and Troubleshooting Tips for Sunfire Starter Wiring

Despite their reliability, sunfire starter wiring may encounter issues such as loose connections, corroded terminals, or faulty components. Troubleshooting these problems involves systematic inspection, testing, and adherence to manufacturer guidelines to identify and rectify the underlying issues.

Proper Maintenance Techniques for Sunfire Starter Wiring

Proper Maintenance Techniques for Sunfire Starter Wiring

Maintaining sunfire starter wiring requires regular inspection, cleaning, and tightening of connections to ensure optimal performance and longevity. Additionally, protecting the wiring harness from environmental factors such as moisture and abrasion is essential for preserving its integrity and preventing potential issues.

Upgrading Sunfire Starter Wiring for Enhanced Performance

Upgrading Sunfire Starter Wiring for Enhanced Performance

Enthusiasts seeking improved performance can consider upgrading sunfire starter wiring with higher gauge wires and enhanced components. This upgrade enhances electrical conductivity, reduces voltage drop, and ensures quicker starts, ultimately enhancing the overall performance and reliability of the vehicle.

Ensuring Safety and Compliance in Sunfire Starter Wiring Installations

Ensuring Safety and Compliance in Sunfire Starter Wiring Installations

During installation or modification of sunfire starter wiring, prioritizing safety and compliance with industry standards and manufacturer specifications is paramount. Proper insulation, secure mounting, and adherence to wiring diagrams ensure safe and compliant installations, reducing the risk of electrical hazards.

Expert Tips and Tricks for Sunfire Starter Wiring Diagram Interpretation

Expert Tips and Tricks for Sunfire Starter Wiring Diagram Interpretation

Interpreting sunfire starter wiring diagrams requires attention to detail and a thorough understanding of electrical principles. Consulting experts, utilizing specialized tools, and referring to manufacturer documentation can provide valuable insights and facilitate accurate interpretation and troubleshooting.

Sources: 1. "Automotive Wiring Diagrams" by Tony Candela, 2. "Electrical Systems in Automotive Technology" by Brian Hardy.

Point of Views : Sunfire starter wiring diagram.
  • Sunfire starter wiring diagrams are essential tools in the automotive industry, providing detailed visual representations of the electrical connections within a vehicle's starter system.
  • These diagrams typically include information about the various components involved in the sunfire starter system, such as the starter motor, ignition switch, battery, solenoid, and wiring harness.
  • Color coding is often used in sunfire starter wiring diagrams to indicate different electrical functions, making it easier for technicians to interpret and troubleshoot the system.
  • By following the paths of the wires and understanding how they connect to each component, technicians can effectively diagnose and repair issues with the sunfire starter system.
  • Regular maintenance and inspection of the sunfire starter wiring system, as depicted in the wiring diagram, can help prevent potential issues and ensure the system operates reliably.
  • Additionally, sunfire starter wiring diagrams serve as valuable resources for technicians when performing upgrades or modifications to the starter system, ensuring proper installation and compliance with safety standards.
  • Overall, wiring diagrams for the sunfire starter system play a crucial role in helping technicians understand, diagnose, and maintain the electrical components of the vehicle's starting system.
Conclusion :

Thank you for exploring our in-depth coverage of sunfire starter wiring diagrams. We hope these articles have provided you with valuable insights into the intricate world of automotive electrical systems. Understanding the components, deciphering color codes, and tracing the power path in sunfire starter wiring systems are crucial aspects that every automotive enthusiast or technician should grasp. By comprehensively analyzing and interpreting these diagrams, you can effectively diagnose issues, perform maintenance, and even upgrade your vehicle's starter wiring for enhanced performance.

In conclusion, wiring diagrams serve as indispensable resources for anyone dealing with automotive electrical systems, including sunfire starter wiring diagrams. Whether you're troubleshooting a problem, conducting routine maintenance, or planning an upgrade, referring to these diagrams ensures accuracy and efficiency in your endeavors. We encourage you to continue exploring our blog for more insightful articles on automotive topics, and don't hesitate to reach out if you have any questions or suggestions for future content. Happy exploring, and may your automotive adventures be electrifying!

Questions and Answer for Sunfire starter wiring diagram.

When it comes to sunfire starter wiring diagrams, people often have several questions. Here are some of the most common queries:

  • 1. What is a sunfire starter wiring diagram?
  • A sunfire starter wiring diagram is a visual representation of the electrical connections and components involved in the starter system of a Pontiac Sunfire. It provides detailed information about the wiring harness, starter motor, ignition switch, battery, and other related components.
  • 2. Why is a sunfire starter wiring diagram important?
  • A sunfire starter wiring diagram is essential for diagnosing and troubleshooting electrical issues within the starter system. It helps technicians understand the connections between different components, identify potential problems, and perform repairs accurately.
  • 3. How do I read a sunfire starter wiring diagram?
  • Reading a sunfire starter wiring diagram requires understanding the symbols, color codes, and circuit paths depicted in the diagram. By following the lines representing the wires and components, you can trace the flow of electrical current and identify any abnormalities or issues.
  • 4. Where can I find a sunfire starter wiring diagram?
  • Sunfire starter wiring diagrams can be found in service manuals, repair guides, or online automotive forums dedicated to Pontiac Sunfire owners. They are often included as part of the vehicle's electrical system documentation.

Overall, sunfire starter wiring diagrams are invaluable resources for understanding, troubleshooting, and repairing the electrical components of a vehicle's starter system.

Label :Sunfire Starter, Wiring Diagrams, Electrical Components, Troubleshooting Tips, Color Codes, Maintenance Techniques

Keyword : Sunfire starter wiring diagram.

Tidak ada komentar:

Posting Komentar