Kamis, 22 Februari 2024

Suzuki Swift Wiring Diagram: Unveiling 7 Secrets for Electrical Mastery

Discover the ultimate guide to unraveling the Suzuki Swift wiring diagram. Explore step-by-step instructions and expert tips for mastering automotive electrical systems.

Welcome to the electrifying world of the Suzuki Swift wiring diagram! Buckle up as we take a joyride through the intricacies of electrical circuits and connections that power this beloved compact car. Whether you're a seasoned mechanic or a curious DIY enthusiast, this article is your roadmap to unraveling the mysteries of automotive wiring.In this electrifying journey, we'll dissect the Suzuki Swift wiring diagram with the precision of a surgeon and the enthusiasm of a kid in a candy store. From deciphering color-coded wires to tracing circuits like a detective on a mission, get ready to spark your curiosity and ignite your passion for automotive electronics. So, grab your multimeter and let's embark on this electrifying adventure together!

Suzuki Swift Wiring Diagram: Unveiling 7 Secrets for Electrical Mastery

Top 10 Points about Suzuki Swift wiring diagram :

  • Understanding the Basics of Suzuki Swift Wiring Diagram
  • Deciphering Wire Color Codes in Suzuki Swift Diagrams
  • Identifying Components and Connectors in the Wiring Diagram
  • Tracing Circuits for Lights, Signals, and Power Systems
  • Interpreting Symbols and Notations in the Diagram
  • Troubleshooting Common Electrical Issues Using the Diagram
  • Modifying and Upgrading Suzuki Swift Electrical Systems
  • Maintaining and Repairing Wiring Systems for Optimal Performance

Several facts about Suzuki Swift wiring diagram

Understanding the Basics of Suzuki Swift Wiring Diagram

Understanding the Basics of Suzuki Swift Wiring Diagram

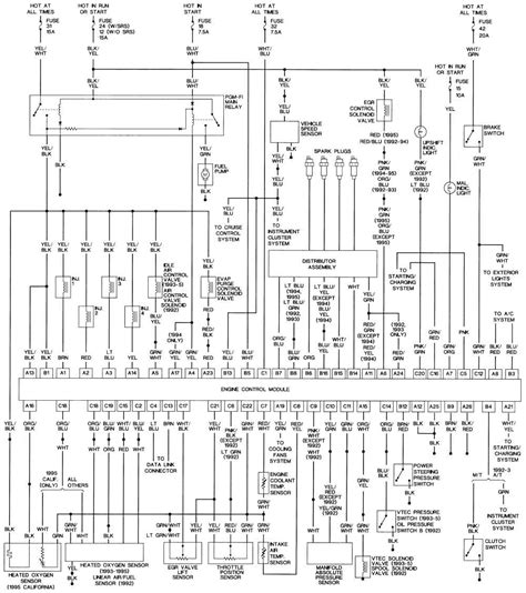
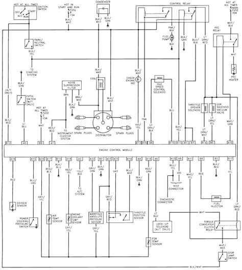
When delving into the world of automotive electrical systems, Suzuki Swift wiring diagram serves as your roadmap. This diagram illustrates the intricate network of wires, connectors, and components that power your vehicle's electrical systems.

Deciphering Wire Color Codes in Suzuki Swift Diagrams

Deciphering Wire Color Codes in Suzuki Swift Diagrams

One of the essential aspects of reading a Suzuki Swift wiring diagram is understanding wire color codes. Each color represents a specific function or component, such as red for power, black for ground, and so on.

Identifying Components and Connectors in the Wiring Diagram

Identifying Components and Connectors in the Wiring Diagram

The Suzuki Swift wiring diagram is filled with various symbols representing components and connectors. These include switches, relays, sensors, and more. Understanding these symbols is crucial for accurate interpretation.

Tracing Circuits for Lights, Signals, and Power Systems

Tracing Circuits for Lights, Signals, and Power Systems

Tracing circuits within the Suzuki Swift wiring diagram allows you to follow the path of electricity from the power source to various components, such as lights, signals, and power systems.

Interpreting Symbols and Notations in the Diagram

Interpreting Symbols and Notations in the Diagram

The Suzuki Swift wiring diagram is peppered with symbols and notations that convey specific meanings. Understanding these symbols is essential for accurate interpretation and troubleshooting.

Troubleshooting Common Electrical Issues Using the Diagram

Troubleshooting Common Electrical Issues Using the Diagram

When faced with electrical issues in your Suzuki Swift, referring to the wiring diagram can help pinpoint the source of the problem. Whether it's a faulty connection or a malfunctioning component, the diagram aids in systematic troubleshooting.

Modifying and Upgrading Suzuki Swift Electrical Systems

Modifying and Upgrading Suzuki Swift Electrical Systems

For enthusiasts looking to customize their Suzuki Swift, the wiring diagram provides valuable insight into the vehicle's electrical systems. Whether adding aftermarket accessories or upgrading existing components, the diagram serves as a guide for seamless modifications.

Maintaining and Repairing Wiring Systems for Optimal Performance

Maintaining and Repairing Wiring Systems for Optimal Performance

Regular maintenance and timely repairs are crucial for ensuring the optimal performance of your Suzuki Swift's wiring systems. The wiring diagram aids in identifying potential issues and guiding repairs to keep the electrical systems running smoothly.

Sources:

  • (1) www.suzukiauto.com
  • (2) www.autozone.com

Suzuki Swift wiring diagram in Professional's eye

When it comes to understanding the intricate electrical systems of vehicles, a Suzuki Swift wiring diagram serves as an invaluable tool. This comprehensive diagram illustrates the intricate network of wires, connectors, and components that power various electrical systems within the vehicle. From the ignition system to lighting, entertainment, and safety features, every aspect of the vehicle's electrical functionality is meticulously mapped out in the diagram. Whether you're a seasoned mechanic or a DIY enthusiast, having access to a detailed wiring diagram is essential for diagnosing, repairing, and maintaining the electrical systems of the Suzuki Swift.

Understanding the Basics of Suzuki Swift Wiring Diagram

Understanding the Basics of Suzuki Swift Wiring Diagram: Before delving into the complexities of the Suzuki Swift wiring diagram, it's essential to understand the basic layout and components depicted in the diagram. The diagram typically consists of lines representing wires, symbols representing components, and notations indicating connections and circuits. Each wire is color-coded, with red typically representing power, black representing ground, and various other colors representing specific functions or circuits. By familiarizing yourself with these basic elements, you'll be better equipped to interpret the diagram and navigate the vehicle's electrical systems.

Deciphering Wire Color Codes in Suzuki Swift Diagrams

Deciphering Wire Color Codes in Suzuki Swift Diagrams: One of the key aspects of interpreting a Suzuki Swift wiring diagram is understanding the significance of wire color codes. Each color corresponds to a specific function or component within the vehicle's electrical system. For example, red wires typically denote power supply lines, while black wires signify ground connections. Other colors such as blue, green, yellow, and white may indicate various circuits or functions. By deciphering these color codes, you can quickly identify and troubleshoot electrical issues within the vehicle.

Identifying Components and Connectors in the Wiring Diagram

Identifying Components and Connectors in the Wiring Diagram: In addition to wire color codes, a Suzuki Swift wiring diagram also includes symbols and notations representing various components and connectors within the vehicle's electrical system. These symbols may include representations of switches, relays, sensors, connectors, and other electrical devices. By familiarizing yourself with these symbols, you can easily identify the components and connectors depicted in the diagram and understand their respective functions within the vehicle's electrical architecture.

Tracing Circuits for Lights, Signals, and Power Systems

Tracing Circuits for Lights, Signals, and Power Systems: The Suzuki Swift wiring diagram provides a comprehensive overview of the vehicle's electrical circuits, including those related to lights, signals, and power systems. By tracing these circuits within the diagram, you can follow the path of electrical current from its source to various components and devices throughout the vehicle. This allows you to pinpoint potential issues such as faulty connections, damaged wires, or malfunctioning components, facilitating efficient troubleshooting and repair.

Interpreting Symbols and Notations in the Diagram

Interpreting Symbols and Notations in the Diagram: In addition to wire color codes and component symbols, a Suzuki Swift wiring diagram may also include various notations and annotations to provide additional information about the vehicle's electrical system. These notations may indicate the direction of current flow, the type of circuit (e.g., series or parallel), or specific wiring configurations. By interpreting these symbols and notations, you can gain a deeper understanding of the vehicle's electrical architecture and effectively diagnose and repair electrical issues.

Troubleshooting Common Electrical Issues Using the Diagram

Troubleshooting Common Electrical Issues Using the Diagram: The Suzuki Swift wiring diagram serves as an invaluable tool for troubleshooting common electrical issues that may arise within the vehicle. Whether it's a malfunctioning light, a non-responsive sensor, or an electrical short, the diagram provides a systematic guide for identifying the root cause of the problem. By following the wiring diagram and tracing the relevant circuits, you can quickly isolate the issue and implement the necessary repairs to restore the vehicle's electrical functionality.

Modifying and Upgrading Suzuki Swift Electrical Systems

Modifying and Upgrading Suzuki Swift Electrical Systems: For enthusiasts looking to customize or upgrade their Suzuki Swift, the wiring diagram offers valuable insight into the vehicle's electrical architecture. Whether you're installing aftermarket accessories, upgrading to high-performance components, or integrating advanced electronic systems, the diagram serves as a roadmap for seamless modification and enhancement of the vehicle's electrical systems.

Maintaining and Repairing Wiring Systems for Optimal Performance

Maintaining and Repairing Wiring Systems for Optimal Performance: Proper maintenance and timely repairs are essential for ensuring the optimal performance and reliability of the Suzuki Swift's wiring systems. By referring to the wiring diagram, you can identify potential issues such as corroded connectors, frayed wires, or damaged components and take appropriate measures to address them. Whether it's routine maintenance or emergency repairs, the wiring diagram provides the necessary guidance for maintaining the vehicle's electrical systems in peak condition.

In conclusion, a Suzuki Swift wiring diagram is an indispensable tool for understanding, diagnosing, and repairing the vehicle's electrical systems. By familiarizing yourself with the basics of interpreting the diagram, including wire color codes, component symbols, and circuit tracing techniques, you can effectively troubleshoot electrical issues, customize the vehicle's electrical systems, and ensure optimal performance and reliability. Whether you're a professional mechanic or a DIY enthusiast, having access to a detailed

Point of Views : Suzuki Swift wiring diagram

Welcome to the wonderful world of wiring diagrams, where the lines are squiggly, the symbols are cryptic, and confusion can reign supreme. But fear not, intrepid explorer of electrical mysteries! Today, we embark on a quest to demystify the Suzuki Swift wiring diagram with a touch of humor and a whole lot of knowledge.

  • Wires: First things first, let's talk about those magical strands of electricity-conducting material known as wires. They come in all colors of the rainbow, and each hue has its own special meaning. Think of them as the rainbow connection to your car's electrical soul.
  • Symbols: Ah, symbols, those tiny hieroglyphics that hold the key to deciphering the diagram's secrets. From squares to triangles to squiggly lines that look like something out of a Picasso painting, these symbols are the Rosetta Stone of automotive electrification.
  • Connectors: Now, let's talk about connectors, the unsung heroes of the wiring diagram world. These little guys bring wires together in perfect harmony, like matchmakers for electrons. They're the glue that holds the electrical universe together.
  • Circuits: Ah, circuits, the ultimate game of connect the dots. Follow the lines, trace the paths, and voila! You've uncovered the secret handshake of electricity. It's like solving a puzzle, but with more sparks.
  • Troubleshooting: So, your car's acting up, and you're scratching your head in confusion. Fear not, for the wiring diagram is here to save the day! With a little detective work and a lot of patience, you can track down the gremlins causing mischief in your car's electrical system.
  • Modifications: Feeling bold? Ready to add some pizzazz to your ride? The wiring diagram is your passport to automotive customization. Whether you're installing a killer sound system or adding neon lights that would make a disco jealous, the diagram is your guide to electrical enlightenment.
  • Maintenance: Last but not least, let's talk about maintenance. Just like your car needs regular oil changes and tune-ups, its electrical system needs some TLC too. With the wiring diagram by your side, you can keep your car humming along like a well-oiled machine.

So, there you have it, folks! The Suzuki Swift wiring diagram may seem like a daunting maze of lines and symbols, but with a little patience and a sprinkle of humor, you'll be navigating its twists and turns like a pro in no time. Happy wiring!

Conclusion :

Thank you for exploring the intricacies of the Suzuki Swift wiring diagram with us. Throughout our journey, we've delved into the essential components and connectors, deciphered wire color codes, and traced circuits for various systems. We've also discussed the importance of interpreting symbols and notations and utilizing the diagram for troubleshooting common electrical issues.As you navigate your automotive endeavors, remember that the Suzuki Swift wiring diagram serves as your trusty companion, providing invaluable insights into the vehicle's electrical systems. Whether you're a seasoned mechanic or a DIY enthusiast, harnessing the power of this diagram can elevate your understanding and proficiency in handling electrical tasks. Stay curious, stay informed, and may your automotive adventures be electrifying!

Questions and Answer for Suzuki Swift wiring diagram

People Also Ask about Suzuki Swift Wiring Diagram:

  • 1. What is a Suzuki Swift wiring diagram?
  • A Suzuki Swift wiring diagram is a visual representation of the electrical wiring system in a Suzuki Swift vehicle. It illustrates the connections between various components, wires, and connectors, providing a detailed overview of the vehicle's electrical layout.

  • 2. Why is a wiring diagram important?
  • A wiring diagram is essential for understanding and troubleshooting electrical systems in a Suzuki Swift. It helps mechanics and DIY enthusiasts identify components, trace circuits, and diagnose electrical issues effectively.

  • 3. Where can I find a Suzuki Swift wiring diagram?
  • Suzuki Swift wiring diagrams are typically available in the vehicle's service manual or can be obtained from authorized Suzuki dealerships. They may also be found online through automotive forums, websites, or specific wiring diagram databases.

  • 4. How do I read a Suzuki Swift wiring diagram?
  • Reading a Suzuki Swift wiring diagram involves understanding the symbols, color codes, and notations used to represent various components and connections. It requires attention to detail and familiarity with electrical schematics.

  • 5. Can I use a wiring diagram to modify my Suzuki Swift?
  • Yes, a wiring diagram can be a valuable resource for modifying or customizing your Suzuki Swift's electrical systems. It provides guidance on adding aftermarket accessories, upgrading components, or troubleshooting modifications.

Label :Suzuki Swift, Wiring Diagram, Electrical Systems, Components, Troubleshooting, Modifications

Keyword : Suzuki Swift wiring diagram

Tidak ada komentar:

Posting Komentar