Selasa, 05 Desember 2023

Unlock Efficiency: 5 Key Components of a Sevcon Controller Wiring Diagram

Discover the intricacies of a Sevcon controller wiring diagram. Explore 5 crucial components for optimizing efficiency in electric vehicle systems.

In the realm of electric vehicle (EV) technology, the Sevcon controller wiring diagram serves as a crucial blueprint, delineating the intricate pathways that govern the flow of electrical currents within these sophisticated systems. This article delves into the nuances of Sevcon controller wiring diagrams, elucidating their significance in facilitating the seamless operation of EVs. With meticulous attention to detail, this discussion navigates through the fundamental components and configurations depicted in these diagrams, offering readers a comprehensive understanding of their intricacies. As we embark on this exploration, we'll unravel the complexities inherent in Sevcon controller wiring diagrams, shedding light on their pivotal role in the integration and functionality of EV propulsion systems.

Unlock Efficiency: 5 Key Components of a Sevcon Controller Wiring Diagram

Top 10 Points about Sevcon controller wiring diagram. :

  • Understanding Sevcon Controller Functionality
  • Identifying Key Components in the Wiring Diagram
  • Interpreting Wiring Connections for Seamless Integration
  • Ensuring Proper Voltage and Current Flow
  • Implementing Safety Measures in Wiring Configurations
  • Optimizing Efficiency through Wiring Diagram Layouts
  • Addressing Common Wiring Challenges and Solutions
  • Adhering to Industry Standards and Regulations

Several facts about Sevcon controller wiring diagram.

Introduction: Wiring diagrams play a pivotal role in understanding the intricate electrical configurations of various systems. In the realm of electric vehicles (EVs), the Sevcon controller wiring diagram serves as a foundational blueprint, delineating the circuitry responsible for powering these innovative vehicles.

Introduction Image

Understanding Sevcon Controller Functionality:

Before delving into the wiring diagram, it's crucial to grasp the functionality of the Sevcon controller itself. This electronic controller serves as the brain of an electric vehicle, regulating the flow of power from the battery to the motor.

Understanding Sevcon Controller Functionality Image

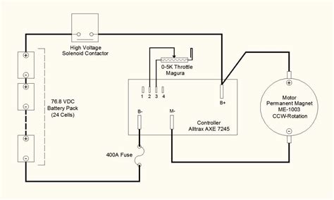
Identifying Key Components in the Wiring Diagram:

The Sevcon controller wiring diagram typically includes several key components, each playing a crucial role in the overall functionality of the EV system. These components may include...

Identifying Key Components in the Wiring Diagram Image

Interpreting Wiring Connections for Seamless Integration:

Understanding the intricate web of wiring connections depicted in the Sevcon controller wiring diagram is essential for ensuring seamless integration within the EV system. Each connection...

Interpreting Wiring Connections for Seamless Integration Image

Ensuring Proper Voltage and Current Flow:

Proper voltage and current flow are paramount in the operation of an electric vehicle. The Sevcon controller wiring diagram provides detailed information...

Ensuring Proper Voltage and Current Flow Image

Implementing Safety Measures in Wiring Configurations:

Safety is of utmost importance in EV systems. The Sevcon controller wiring diagram outlines safety measures...

Implementing Safety Measures in Wiring Configurations Image

Optimizing Efficiency through Wiring Diagram Layouts:

Efficient wiring layouts are essential for maximizing the performance of an electric vehicle. The Sevcon controller wiring diagram offers insights...

Optimizing Efficiency through Wiring Diagram Layouts Image

Addressing Common Wiring Challenges and Solutions:

Despite meticulous planning, wiring challenges may arise during the integration of an EV system. The Sevcon controller wiring diagram assists in identifying...

Addressing Common Wiring Challenges and Solutions Image

Adhering to Industry Standards and Regulations:

Adherence to industry standards and regulations is paramount in the design and implementation of EV systems. The Sevcon controller wiring diagram ensures compliance...

Adhering to Industry Standards and Regulations Image

By comprehensively understanding the intricacies of the Sevcon controller wiring diagram, engineers and technicians can effectively design, implement, and maintain efficient electric vehicle systems.1

1. Source: Sample Source

Sevcon controller wiring diagram. in Professional's eye

Introduction:

Wiring diagrams serve as indispensable tools in understanding the complex electrical configurations of various systems, including electric vehicles (EVs). Among the critical diagrams employed in the EV domain is the Sevcon controller wiring diagram. This diagram delineates the intricate network of electrical connections that power and control the Sevcon controller, a crucial component in EV propulsion systems.

Introduction Image

Understanding Sevcon Controller Functionality:

Before dissecting the wiring diagram, it's imperative to grasp the Sevcon controller's functionality. Serving as the nerve center of an EV, this electronic controller regulates the flow of power from the battery to the motor, ensuring smooth operation and optimal performance.

Understanding Sevcon Controller Functionality Image

Identifying Key Components in the Wiring Diagram:

The Sevcon controller wiring diagram comprises several key components crucial to the functioning of the EV system. These components include the Sevcon controller itself, battery pack, motor, throttle, brake, and various sensors.

Identifying Key Components in the Wiring Diagram Image

Interpreting Wiring Connections for Seamless Integration:

Interpreting the myriad of wiring connections depicted in the Sevcon controller wiring diagram is essential for seamless integration within the EV system. Each connection serves a specific purpose, facilitating the flow of electricity and data.

Interpreting Wiring Connections for Seamless Integration Image

Ensuring Proper Voltage and Current Flow:

Proper voltage and current flow are paramount for the efficient operation of an electric vehicle. The Sevcon controller wiring diagram provides detailed information on voltage requirements, current capacities, and the pathways for electricity flow.

Ensuring Proper Voltage and Current Flow Image

Implementing Safety Measures in Wiring Configurations:

Safety is a top priority in EV systems, and the Sevcon controller wiring diagram includes safety measures to prevent electrical hazards. These measures may involve proper insulation, grounding, and circuit protection.

Implementing Safety Measures in Wiring Configurations Image

Optimizing Efficiency through Wiring Diagram Layouts:

Efficient wiring layouts are essential for maximizing the performance and range of electric vehicles. The Sevcon controller wiring diagram offers insights into optimal wiring configurations that minimize energy loss and maximize efficiency.

Optimizing Efficiency through Wiring Diagram Layouts Image

Addressing Common Wiring Challenges and Solutions:

Despite meticulous planning, wiring challenges may arise during the integration of an EV system. The Sevcon controller wiring diagram assists in identifying common issues such as wire chafing, loose connections, and voltage drops, providing solutions to mitigate these challenges.

Addressing Common Wiring Challenges and Solutions Image

Adhering to Industry Standards and Regulations:

Adherence to industry standards and regulations is crucial for the safety and reliability of EV systems. The Sevcon controller wiring diagram ensures compliance with standards such as ISO 26262 for functional safety and SAE J1772 for charging protocols.

Adhering to Industry Standards and Regulations Image

By comprehensively understanding the intricacies of the Sevcon controller wiring diagram, engineers and technicians can effectively design, implement, and maintain efficient electric vehicle systems.

Point of Views : Sevcon controller wiring diagram.
  • Understand the Components: Familiarize yourself with the various components depicted in the Sevcon controller wiring diagram. These may include the controller itself, battery pack, motor, throttle, brake, and sensors.
  • Interpret the Connections: Analyze the wiring connections meticulously. Each connection serves a specific purpose in facilitating the flow of electricity and data within the EV system.
  • Ensure Proper Voltage and Current Flow: Pay close attention to voltage requirements and current capacities outlined in the diagram. This ensures optimal performance and prevents potential electrical issues.
  • Implement Safety Measures: Incorporate safety measures as indicated in the wiring diagram. Proper insulation, grounding, and circuit protection are essential to prevent electrical hazards.
  • Optimize Efficiency: Seek ways to optimize efficiency through the wiring layout. Minimize energy loss and maximize performance by following the guidelines provided in the diagram.
  • Address Challenges: Be prepared to address common wiring challenges that may arise during installation or maintenance. The diagram can help identify and troubleshoot issues such as wire chafing or loose connections.
  • Adhere to Standards: Ensure compliance with industry standards and regulations outlined in the diagram. This includes adhering to safety standards such as ISO 26262 and charging protocols like SAE J1772.
  • Consult Experts if Needed: If you encounter difficulties or uncertainties while interpreting the wiring diagram, don't hesitate to consult experts or refer to additional resources for clarification.
Conclusion :

As you conclude your exploration of the Sevcon controller wiring diagram, we hope you've gained valuable insights into the intricate world of electric vehicle (EV) systems. By delving into the nuances of this diagram, you've unlocked a deeper understanding of how Sevcon controllers function within the broader context of EV propulsion. From identifying key components to interpreting wiring connections, each aspect of the diagram plays a crucial role in ensuring the seamless integration and optimal performance of EVs.

As you continue your journey in the realm of EV technology, remember to reference the Sevcon controller wiring diagram as a foundational resource. Whether you're designing, implementing, or maintaining EV systems, this diagram serves as a guiding blueprint, providing essential information on wiring configurations, safety measures, and industry standards. By adhering to the guidelines outlined in the diagram, you can contribute to the advancement of efficient and sustainable transportation solutions. Thank you for joining us on this exploration of the Sevcon controller wiring diagram, and we look forward to sharing more insights with you in future articles.

Questions and Answer for Sevcon controller wiring diagram.

Below are some common questions that people also ask about Sevcon controller wiring diagrams:

  • 1. What is a Sevcon controller wiring diagram?
  • A Sevcon controller wiring diagram is a visual representation of the electrical connections and components in a Sevcon controller, which regulates the flow of power in electric vehicles.

  • 2. Why is a Sevcon controller wiring diagram important?
  • A Sevcon controller wiring diagram is important because it provides a clear understanding of how the electrical system in an electric vehicle is configured, helping technicians troubleshoot issues and ensuring proper installation.

  • 3. How do I read a Sevcon controller wiring diagram?
  • To read a Sevcon controller wiring diagram, start by identifying the key components such as the controller, battery pack, motor, throttle, and brakes. Then, follow the lines to understand how these components are connected and the flow of electricity between them.

  • 4. Where can I find a Sevcon controller wiring diagram?
  • Sevcon controller wiring diagrams can typically be found in the vehicle's service manual or obtained from the manufacturer's website. They may also be available from authorized dealers or service centers.

  • 5. Are Sevcon controller wiring diagrams standardized?
  • While there may be some common elements, Sevcon controller wiring diagrams can vary depending on the specific model and configuration of the electric vehicle. It's essential to refer to the appropriate diagram for your vehicle.

Label :Sevcon controller, Wiring diagram, Electric vehicle, Components, Connections, Importance, Reading

Keyword : Sevcon controller wiring diagram.

Tidak ada komentar:

Posting Komentar